10.Полевой транзистор. |
Патент на устройство,
аналогичное униполярному ПТ с
изолированным затвором, был
получен английским учёным О. Хейлом
в 1939 году, задолго до появления
биполярного транзистора. В 1952 году
Шокли дал теоретическое описание
униполярного полевого транзистора,
а в 1955 Дейси и Росс изготовили и
провели аналитическое
рассмотрение характеристик
транзисторов, которыке
впоследствии получили название
полевых транзисторов с управляющим
p-n переходом.
В 1960 году М.Аталла и Д.Кант
предложили использовать структуру
металл - диэлектрик - полупроводник
, в которой проводимость
поверхностного канала изменялась в
полупроводнике под действием
напряжения, приложенного к
металлическому электроду,
изолированному тонким слоем окисла
полупроводника.
Полевой транзистор - это
полупроводниковый прибор, в
котором ток основных носителей ,
протекающих через канал,
управляется электрическим полем.
Основа такого транзистора -
созданный в полупроводнике и
снабжённый двумя выводами (исток и
сток) канал с электропроводностью n
- или p - типа. Сопротивлением канала
управляет третий электрод - затвор,
соединённый с его средней частью p -
n переходом.
Поскольку ток канала обусловлен
носителями только одного знака, ПТ
относят к классу униполярных
транзисторов.
В идеальном случае эффект
управления током достигается без
потери энергии (входной ток почти
равен нулю). Электрод , через
который в проводящий канал втекают
носители заряда, называют истоком,
а электрод, на который подаётся
управляющий электрический сигнал,
называется затвором. Проводящий
канал - это область в
полупроводнике, в которой
регулируется поток носителей
заряда.
В связи с тем, что управление током
в выхоной цепи осуществляется
входным напряжением (аналогично
электровакуумным приборам) и
входные токи ПТ черезвычайно малы,
параметры и характеристики полевых
транзисторов существенно
отличаются от характеристик
биполярных транзисторов.
ПТ обладают рядом приемуществ по
сравнению с биполярными:
- высокое входное сопротивление по
постоянному току и на высокой
частоте, отсюда и малые потери на
управление;
- высокое быстродействие (благодаря
отсутствию накопления и
рассасывания неосновных носителей);
- почти полная электрическая
развязка входных и выходных цепей,
малая проходная ёмкость (т.к.
усилительные свойства ПТ
обусловлены переносом основных
носителей заряда, верхняя граница
эффективного усиления мощных ПТ
выше, чем у биполярных, и применение
ключевых усилителей на ПТ при тех
же напряжениях питания возможно на
частотах около 400 мГц, в то время как
на биполярных транзисторах
разработка ключевых генераторов
частотой выше 100 мГц является
весьма сложной задачей);
- квадратичность вольт - амперной
характеристики (аналогична триоду);
- высокая температурная
стабильность;
- малый уровень шумов.
Используя большое входное
сопротивление ПТ, можно увеличить
коэффициент передачи и существенно
снизить коэффициент шума в УНЧ,
предназначенных для работы от
высокоомных источников сигнала.
Наличие термостабильной точки
позволяет снизить дрейф в ряде
усилителей постоянного тока (УПТ). В
качестве примера показаны передаточные
характеристики транзистора КП103
при двух значениях температуры
окружающей среды:

Линейная зависимость
крутизны ПТ от управляющего
напряжения обеспечивает более
сильное подавление перекрёстных
помех и нелинейных искажений во
входных каскадах радиоприёмных
устройств. ПТ имеют приемущество и
в качестве сопротивления,
управляемого напряжением в
устройствах регулирования уровня
сигнала (компрессорах, цепях АРУ).
Применение ПТ в синхронных
выпрямителях (СВ) позволяет
получить КПД до 0.962 и выше. В ряде
случаев ПТ не боятся перегрузки, т.к.
имеют естественное ограничение
тока.
Несомненны и приемущества ПТ и в
качестве ключей высоковольтных
преобразователей, в отличии от
биполярных транзисторов,
применение которых ограничено "вторичным
пробоем". Явление "вторичного
пробоя" обусловлено
концентрацией тока в пределах
малых областей активной структуры
транзистора. Распределение теплоты
в кристалле является неравномерным
и зависит от плотности тока и
приложенного напряжения. При
больших напряжениях коллектора ток
стягивается в узкую область, что
приводит к существенному изменению
активной площади p-n перехода, в
результате чего увеличивается
тепловое сопротивление. Если
игнорировать это явление, то уже
при относительно небольших
мощностях может произойти сильное
сужение тока в структуре и резкое
повышение её температуры в области
прохождения тока до температуры
плавления, что вызывает разрушение
транзистора. Генераторы тока на ПТ
предельно просты. (см. раздел 3)
По принципу действия и технологии
изготовления ПТ можно разделить на
2 группы:
- ПТ с управляющим p-n переходом и
барьером Шотки;
- ПТ с изолированным затвором со
структурой металл - диэлектрик -
полупроводник (МДП - транзистор),
иногда его называют МОП -
транзистором (металл - окисел -
полупроводник).
В свою очередь ПТ с изолированным
затвором подразделяются на:
- с индуцированным каналом (обогащённого
типа);
- со встроенным каналом (обеднённого
типа).
В настоящее время выпускается
большое количество ПТ разного типа:
- канал проводимости обогащённого
типа;
- канал проводимости обеднённого
типа;
- переход PN;
- переход NP;
- P - канал на подложке;
- N - канал на подложке;
- затвор изолированный.
Облегчить задачу выбора ПТ в
зависимости от их конструкции и
технологии изготовления поможет
таблица , в которой приведены
характерные структуры ПТ, их режимы
работы и полярность напряжений на
электродах транзистров
относительно истока:

Ниже показаны условные графические обозначения ПТ с изолированой подложкой и подложкой, имеющей электрическое соединение с истоком, соответственно (соединение внутри символа показывают без точки):


Статические стоко - затворные характеристики основных трёх типов ПТ:



Характерной
особенностью ПТ с управляющим p-n
переходом, а также с изолированным
затвором и встроенным каналом
является наличие начального тока
стока Iс нач при отсутствии
управляющего сигнала на затворе и
при условии Uси нас <= Uси = const,
где Uси нас - напряжение "сток -
исток" на границе области
насыщения.
В ПТ с управляющим p-n переходом
управляющая цепь отделена от
канала обратно - смещённым p-n
переходом (поляризованном в
направлении запирания pn- или np-
переходом), при этом канал
расположен в объёме полупроводника
и существует при нулевом
напряжении на затворе, т.е. является
встроенным каналом.
В силу конструктивных особенностей
транзисторов с управляющим p-n
переходом они обычно работают в
режиме обеднения проводящего
канала, т.е. при подаче запирающего
напряжения на затвор. При этом
электропроводность канала ПТ
уменьшается и не превышает Iс нач,
таким образом проводимость
достигается инвертированием
электрического поля:

Применение
металлического затвора создаёт с
полупроводником канала
выпрямляющий контакт (диод Шотки) и
позволяет существенно уменьшить
рамеры структуры. Использование
арсенида галлия, имеющего в два
раза большую скорость движения
носителей заряда, чем в кремнии, а
также очень мелкое залегание в
толще кристалла управляющего
барьера Шотки (в сравнении с
управляющим p-n переходом),
позволяющее получить малую ёмкость
Сзс , резко повышает диапазон
рабочих частот транзистора.
Входная вольт - амперная
характеристика ПТ с управляющим p-n
переходом и каналом n - типа
показаны на рисунке:

Её можно представить
как состоящую из двух частей:
- область нарастания или "омическая"
область;
- область насыщения.
В первой области канал "сток -
исток" ведёт себя как резистор,
управляемый напряжением "затвор
- исток" (см. ниже). В области
насыщения, напротив, ток стока
практически не зависит от
напряжения на затворе, благодаря
чему ПТ прибритает свойства
усилительного элемента.
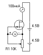
Напряжение отсечки определяют с
помощью вольтметра при Iст = 10мкА,
плавно перемещая движок резитора
из нижнего положения в верхнее:

В МДП -транзисторах с
изолированным затвором и
индуцированным каналом при
отсутствии напряжения на затворе
ток между истоком и стоком
практически отсутствует (т.е.
нормально закрытый прибор).
Транзисторы с индуцированным
каналом работают в режиме
обогащения. При подаче на затвор
транзистора с индуцированным
каналом некоторого порогового
напряжения Uзи пор и более,
совпадающего по знаку со знаком
основных носителей, на поверхности
полупроводника индуцируется заряд
противоположного знака, т.е. тип
проводимости приповерхностного
слоя полупроводника инвертируется
и происходит формирование
проводящего канала,
сопровождающегося ростом тока
стока:

Конструктивным вариантом ПТ является двухзатворный транзистор - МДП - тетрод:

Прибор можно представить в виде двух последовательно соединённых (каскодное включение) транзисторов:

Управляющим является
первый затвор. Второй затвор,
действуя как электростатический
экран, уменьшает проходную ёмкость
прибора (эффект миллера).
Возможность работы на более
высоких частотах - основное
приемущество тетрода по сравнению
с МДП - транзистором. Кроме того,
тетрод существенно упрощает
конструирование смесительных
устройств.
Примерами промышленных образцов
являются транзисторы КП306 и КП350 -
МДП - тетроды со встроенным (индуцированным)
каналом n - типа и двумя затворами,
предназначенные для
высокочастотных каскадов
радиоприёмных устройств. При
необходимости второй затвор (как
экранирующую сетку пентода) мржно
использовать в качестве второго
управляющего электрода, например, в
схеме преобразователя (смесителя )
частоты.
Мощные V - МДП - транзисторы являются
быстроразвивающимся классом
твёрдотельных приборов. Вид
передаточной характеристики
транзисторов с вертикальным V -
обраным каналом (КП 909, КП911, КП 912, КП913
,КП922 и др.) отличается от
аналогичной для приборов с
горизонтальным каналом (КП901, КП902,
КП904, КП905, КП908 и др.) наличием
отчётливо заметного загиба не
только в верхней, но и в нижней
части кривой Iс (Uзи) при U си=const.
Передаточные характеристики
отечественных V - МДП - транзисторов
почти симметричны относительно
точки перегиба (Us, Is). В качестве
примера показана передаточная
характеристика транзистора КП913
при Uси=60В:

Благодаря
автоматическому ограничению тока
стока и относительно малому (до 20%)
разбросу крутизны, эти транзисторы
можно включать параллельно с
достаточно равномерным
распределением тока между ними. При
этом коммутируемый ток можно
существенно увеличить, а
параллельное соединение приборов
можно рассматривать как один
прибор с эквивалентной крутизной
S=S1+S2+...Sn,
током насыщения Is=Is N, и напряжением
насыщения одного транзистора.
Необходимо учитывать, что при этом
возрастает суммарная входная
ёмкость, которая главным образом
определяет время переключения тока
в нагрузке.
Разброс токов между параллельно
включёнными транзисторами
обусловлен разбросом крутизны, и
как правило, не превышает 10....15% при
управлении импульсами с большой
амплитудой (12...15В) и высокой
скоростью нарастания (t вх=2...3нс).
При Uзи=12...14В наблюдается явное
насыщение тока стока, поэтому
превышать это значение
нецелесообразно.
К достоинствам V - МДП транзисторов
можно отнести следующее:
- большие коммутируемые мощности;
- малое сопротивление во включённом
состоянии;
- малую мощность по цепи управления;
- высокое быстродействие (например,
транзистор КП912 способен
коммутировать ток до 20А за время, не
превышающее 70...100нс);
- возможность управления
однополярными импульсами.
Для реализации минимального
времени переключения (до 20...30 нс)
транзисторы должны работать
совместно с генераторами, имеющими
малое выходное сопротивление.
Технические характеристики
транзисторов типа КП922 показывают,
что их применение в различных
импульсных устройствах позволяет
повышать рабочую частоту до 200...500кГц
и более, что в свою очередь даёт
значительное уменьшение габаритов
и массы их реактивных элементов.
По совокупности частотных,
временных и энергетических
параметров мощные V - МДП
транзисторы превосходят мощные
биполярные транзисторы.
Их недостаток: - большой остаточный
ток до нескольких десятков
миллиампер, что снижает КПД
формирователя при большой
скваженности импульсов.
Благодаря высокому быстродействию
эти транзисторы могут найти
применение для создания лазерных
систем ночного видения,
целеуказания, и т.д., источники
импульсного электропитания
которых должны обеспечивать
преобразование постоянного
напряжения в импульсы тока
амплитудой до 100А, длительностью 50...100
нс и частотой повторения 1...10кГц.
Для уменьшения динамических потерь
в лазерах длительность фронта и
среза токовых импульсов должна
быть минимально возможной (не более
10...20 нс).
Разновидностью ПТ являются
транзисторы со статической
индукцией (СИТ) - ПТ с изоляцией
затвора при помощи p-n перехода. В
настоящее время за рубежом созданы
СИТ, способные коммутировать
мощности в сотни киловатт с
временем переключения около 300 нс.Как
правило, СИТ имеют нормально
открытый канал, поэтому при их
использовании необходимо подавать
питающее напряжение на схему
управления раньше, чем на силовой
ключ (в противном случае возможен
переход транзистора в открытое
состояние из-за ёмкостного
делителя Сзи - Сзс), что в ряде
случаев ограничивает их применение.
При выключении необходимо
использовать накопление и хранение
заряда во входной ёмкости СИТ.
Транзистор имеет два режима:
I - соответствует работе полевого
транзистора с управляющим p-n
переходом. При отрицательном
напряжении на затворе его
сопротивление Rси достаточно
большое:

II - соответствует
работе биполярного транзистора.
При положительном напряжении на
затворе p-n переход открывается и
появляется ток Iз, при достаточно
боьшой его величине Rси становится
очень малым.
Достоинства:
- малое сопротивление сток - исток в
биполярном режиме (в несколько раз
меньше, чем у биполярных
транзисторов и в десятки раз меньше
чем у полевых). Например, 2П926 имеет
сопротивление Rси=0.03 Ом при токе
стока 10А;
- более низкое значение остаточного
тока по сравнению с ПТ;
- более высокое быстродействие по
отношению к биполярным
транзисторам, в основном, за счёт
уменьшения времени рассасывания (т.е.
времени выключения);
- обладает близкими к триоду
характеристиками.
Одна из последних разработок СИТ -
КП948 с вертикальным нормально
закрытым каналои n - типа,
работающий при прямом смещении на
затворе, Uзи max= 5В. Схема включения
аналогична включению биполярных n-p-n
транзисторов. Предназначен для
применения в быстродействующих
силовых схемах радиоэлектронной
аппаратуры (РЭА). Применение его
вместо КТ858, КТ859, КТ872 и т.п.
позволяет в 2 раза снизить потери
мощности на переключение и
упростить схемотехнику цепей
управления.
Представляет интерес модификация
СИТ - статически индуцированный
транзистор биполярного типа (БСИТ).
По токовым возможностям БСИТ
эквивалентен биполярному
транзистору, но время его
переключения значительно меньше.
Выходные характеристики
аналогичны выходным
характеристикам биполярного
транзистора, однако область
безопасной работы аналогична СИТ.
Параметры некоторых отечественных
МПТ приведены в таблице:

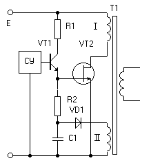
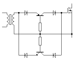
Применение СИТ позволяет отказаться от традиционных схем пуска:

Схема пуска(VD1, C1)
включена в цепь, обеспечивающую
запирание силового транзистора.
При подаче входного напряжения
через транзисторVT2 начинает
протекать ток, наводя ЭДС в обмотке
II трансформатора. Конденсатор С1
заряжается до напряжения запирания
транзистора VT2, после чего
разряжается через R2, затвор - исток.
Процесс повторяется пока не
появится напряжение питания схемы
управления (СУ).
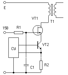
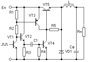
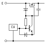
Второй пример применения МПТ, в том
числе и СИТ, показан на этом рисунке:

В качестве БТ
применён мощный низковольтный
быстродействующий транзистор. С
резистора R2 снимается сигнал
обратной связи для защиты от
перегрузки и КЗ.
Возможный вариант управлеия
транзисторным ключём короткими
импульсами:

Транзистор VT1
служит для ускоренного разряда С1 и
входной ёмкости силового
транзистора, VD1 - для увеличения
помехоустойчивости.
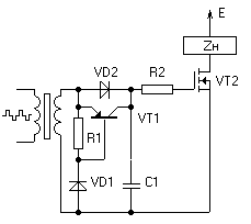
Вариант ключа с трансформаторным
управлением для применения в
двухтактном преобразователе с ШИМ -
регулировкой:

Сочетание ПТ и биполярного транзисторов позволяет получить так называемые "разумные ключи", которые требуют маломощной схемы управления:

Такой составной
транзистор эквивалентен ПТ с
крутизной в h21э раза большей.
Напряжение управления
рассчитывается по формуле:
Uвх >= Ikm/(S*h21э) .
Управление тиристорным
эквивалентом при помощи ПТ:

Для включения и выключения достаточно короткого импульса.
Улучшенный вариант электронного ключа ШИМ - регулятора на биполярных транзисторах с уменьшенным временем рассасывания:

В отличии от
схемы Бейкера (см.раздел 1),
где уменьшение рассасывания
обусловлено стабилизацией
коэффициента насыщения, в данной
схеме введено форсированное
рассасывание VT3 с помощью
дополнительного транзистора VT4, на
вход которого через
дифференцирующую цепь C1R4 подаются
импульсы инвертированного
входного ШИМ сигнала, открывающие
его в момент окончания входного
импульса. В результате время
рассасывания существенно
уменьшается.
Такая схема позволяет получить
высокую линейность ШИМ -
регулирования при малой
параметрической чувствительности,
т.е. зависимости Uвых и КПД от
изменения рабочей температуры,
питания, нагрузки, замены
транзисторов и т.д.
Применение полевых транзисторов
позволяет значительно упростить
схемотехнику.
Применение МПТ в импульсных
регуляторах напряжения с
гальванической связью входа и
выхода позволяет получить КПД до 0.95
при частоте ШИМ - регулирования 20...50
кГц и до 0.6...0.8 - при частоте 100...500 кГц,
что перспективно для
малогабаритных ИВЭП:



Применение "вольтдобавки" позволяет использовать ПТ при сравнительно небольшой разнице между входным и выходным напряжением:

Эмиттерный повторитель на транзисторе VT1 ускоряет процесс включения, а диод VD2 - процесс выключения (разряд входной ёмкости VT2):
