1.Транзистор. |
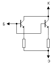
1.Увеличение мощности транзистора.
Резисторы в цепях эмиттеров нужны для равномерного распределения нагрузки; уровень шумов уменьшается пропорционально квадратному корню из количества параллельно включённых транзисторов.

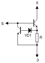
2.Защита от перегрузки по току.
Недостаток-снижение КПД из-за наличия датчика тока R.

Другой вариант-благодая введению германиевого диода или диода Шоттки можно в несколько раз уменьшить номинал резистора R,и на нём будет рассеиваться меньшая мощность.

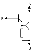
3.Составной транзистор с высоким выходным сопротивлением.
Из-за каскодного включения транзисторов значительно уменьшен эффект Миллера.

Другая схема - за счёт полной развязки второго транзистора от входа и питанию стока первого транзистора напряжением, пропорциональным входному, составной транзистор имеет ещё более высокие динамические характеристики (единственное условие - второй транзистор должен иметь более высокое напряжение отсечки). Входной транзистор можно заменить на биполярный.

4.Защита транзистора от глубокого насыщения.
Предотвращение прямого смещения перехода база-коллектор с помощью диода Шоттки.

Более сложный вариант - схема Бейкера. При достижении напряжением на коллекторе транзистора напряжения базы "лишний" базовый ток сбрасывается через коллекторный переход, предотвращая насыщение.

5.Схема ограничения насыщения относительно низковольтных ключей.
С датчиком тока базы.

С датчиком тока коллектора.

6.Уменьшение времени включения/выключения транзистора путём применения форсирующей RC цепочки.

7.Составной транзистор.
Схема дарлингтона.


Схема Шиклаи.


Схемы Дарлингтона и Шиклаи с дополнительными транзисторами (нужны для увеличения входного сопротивления второго каскада по переменному току,и соответственно коэффициента передачи).


То же самое для схем Дарлингтона и Шиклаи с полевыми транзисторами на входе.


8.Широкополосный транзистор с высоким быстродействием (из-за уменьшения эффекта Миллера).

9."Алмазный транзистор".
Особенность этого транзистора-отсутствие инверсии на коллекторе.

Возможные варианты его включения.


Схема с увеличенной вдвое нагрузочной способностью.

10.Мощный составной транзистор.

11.Использование транзистора в качестве регулирующего элемента или в ключевом режиме.
Включение нагрузки в цепь коллектора.



Включение нагрузки в цепь эмиттера.


