8.Схема сдвига уровня. |
В
многокаскадных усилителях, не
имеющих гальванической связи между
каскадами и охваченных общей
отрицательной обратной связью,
возникает опасность
самовозбуждения на инфранизкой
частоте. Как известно, каждый
переходной, а также блокирующий
конденсатор вносит максимальный
сдвиг по фазе на низких частотах до
90°. При наличии трёх и более таких
фазовращателей возникает
опасность самовозбуждения.
Самовозбуждение не возникает, пока
коэффициент усиления при сдвиге
фазы 180° меньше единицы (сплошная
линия), и сразу же наступает как
только коэффициент усиления
становится равным или чуть больше 1
(пунктирная линия):

Помимо фазовых
искажений, многие типы
конденсаторов вносят существенные
(до1%) нелинейные искажения, а
установленные на входе
высокочувствительных усилителей,
ещё и шумы. Отсюда понятно,
насколько важно по возможности
обходиться без них.
Особое место среди усилителей
занимают усилители постоянного
тока, кожффициент усиления которых
не изменяется при уменьшении
частоты до нулевого значения.
Однако при непосредственной связи
между каскадами, особенно на
транзисторах одной проводимости,
приходится согласовывать
сравнительно большой (по модулю)
потенциал на выходе предыдущего
каскада с малым потенциалом на
входе последующего. Среди методов
согласования каскадов можно
выделить четыре наиболее
распространённых:
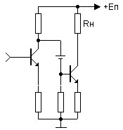
1. С дополнительным источником напряжения в цепи связи.

2. С диодом Зенера (стабилитроном) в цепи связи.

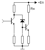
3. С делителем напряжения и дополнительным источником.
Применение делителя с дополнительным источником требует частотной коррекции из-за опасности ограничения полосы пропускания сверху, т.к. возникает интегрирующая RC - цепь. Условие компенсации выглядит следующим образом: R2Cк=R3Cвх, откуда Ск=R3Свх/R2. Очевидно, что такой способ коррекции несовершенен, т.к. требует точной настройки и применения каскада, свободного от эффекта Миллера.

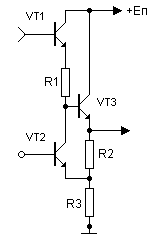
Более совершенный каскад.
Здесь резисторы R1-R4 образуют своеобразный мост, в диагональ которого включён конденсатор С. При этом необходимо выполнение условия: R1/R2=R4/R3. При этом ёмкость конденсатора подбирать нет необходимости, достаточно, чтобы она была несколько больше входной ёмкости. Обычно её выбирают в пределах 220....470 пФ.

4. Со схемой сдвига уровня.
Простейшая схема сдвига уровня с помощью резистивного делителя:

Напряжение сдвига уровня пропорционально резисторам R1, R2. При этом неизбежно происходит потеря коэффициента передачи. применение генератора тока вместо резистора R2 позволяет устранить этот недостаток:

При этом смещение по постоянному току зависит как от номинала резистора, так и от тока ГСТ и равно I*R1. При необходимостиподстройки напряжения смещения резистор R1 выбирают подстроичным или делают регулируемым ГСТ.
Схема сдвига уровня с коэффицментом передачи больше единицы.
Благодаря положительной обратной связи с делителем на резисторах R2, R3 превращает генератор тока на VT2, R3 в активный источник тока (АИТ).

Относительно простую схему сдвига уровня сигнала без изменения его фазы можно получить с помощью каскада с общей базой:

Применение транзистора VT3 повышает точность передачи сигнала, т.к. компенсирует изменения напряжения базоэмиттерного перехода транзистора VT2. Вообще, строго говоря, таких транзисторов необходимо устанавливать два и последовательно - для компенсации изменения напряжения переходов транзисторов VT1, VT2.
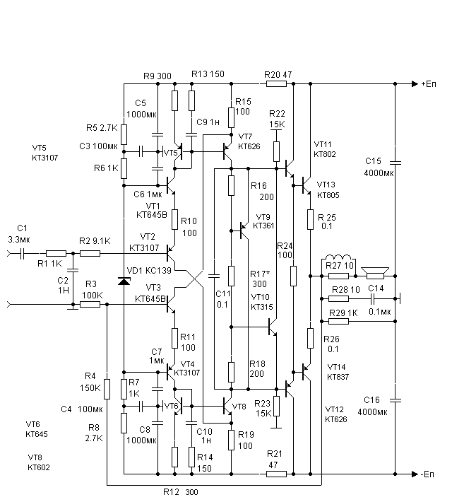
В заключении раздела предлагается схема высококачественного усилителя мощности, разработанного на основании вышеизложенного:

Коэффициент
усиления с разомкнутой петлёй ООС
увеличен примерно на 10 дБ. Цепочка R13,
C9, R14, C10 служит для устранения
перекомпенсации входной ёмкости. В
качестве источника смещения
выходного каскада применён
встречно - параллельный генератор
опорного напряжения. С целью
улучшения отслеживания средней
точки введён резистор R3. Питание
усилителя - от источника с
незаземлённой средней точкой, что
избавляет от необходимости защиты
громкоговорителей по постоянному
току. Налаживание усилителя
сводится к установке тока покоя
выходных транзисторов порядка 50...70
мА подбором резистора R17 и
установке половины напряжения
питания на выходе усилителя
подбором резистора R5 (R8), а в случае
необходимости (при большом
разбросе параметров транзисторов
противоположных плеч) - подбором
резистора R9 (R12).
Частота среза усилителя без
конденсатора С2 - около 3МГц. Поэтому
такой усилитель может найти
широкое применение в качестве
выходного усилителя мощности
передатчиков проводных линей ВЧ -
связи.