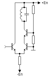
7.Каскад с эмиттерными (истоковыми) связями. Дифкаскад. |
1.Упрощённые схемы каскадов с комбинированными связями:








Одно из основных
достоинств таких каскадов состоит
в том, что выходная цепь таких
усилительных каскадов благодаря
низкоомной связи (низкоомного
выходного каскада с ОК с низкоомным
входным каскадом с ОБ) слабо
связана с входной. Очевидно, что в
таких схемах эффект Миллера
отсутствует.
Входное сопротивление каскада на
биполярных транзисторах (без учёта
входного делителя) равно входному
сопротивлению каскада с ОК:
Rвх=rб+(1+h21э)h11б2
Входное сопротивление каскада с
полевым транзистором на входе
определяется, в основном, входным
делителем.
Выходное сопротивление
соответствует выходному
сопротивлению каскада с ОБ (ОЗ).
Коэффициент усиления по напряжению
равен произведению коэффициентов
передачи каскадов с ОК (ОИ) и с ОБ (ОЗ),
а так как коэффициент передачи
каскада ОК (ОИ) примерно равен
единице, то по существу коэффициент
усиления определяется вторым
множителем. Таким образом входные и
выходные и выходные параметры
таких каскадов соответствуют
параметрам каскадов с ОК (ОС) и ОБ (ОЗ)
соответственно.
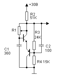
2.Пример использования каскада для усиления сигналов ВЧ.

3.Широкополосный генератор.
При изменении резистора R1 в пределах 50 МОм ... 10 кОм имеет перестройку частоты выходного сигнала от 100Гц до 400кГц.

4.Высокочастотный генератор.
Период следования импульсов T=3.1RC; частота - до 50МГц.

5.Пример применения каскада с эмиттерными связями в фазовом детекторе.

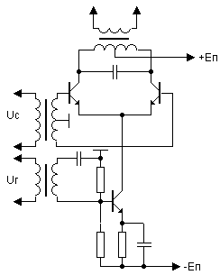
6.Простейший балансный преобразователь частоты.
Достоинства:
1. Компенсация всех синфазных помех,
в тои числе сигнала гетеродина и
его шумов;
2. Компенсация чётных гармоник, что
приводит к уменьшению числа
побочных каналов.
Более сложные смесители
выпускаются в микросхемном
исполнении, наиболее простой из них
К174ПС1 - аналоговый перемножитель
Джильберта.

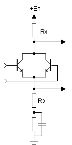
7.Пример применения каскада с эмиттерными связями в электронном регуляторе усиления.
Введение обратной связи с помощью резисторов R6,R7 позволяет существенно снизить искажения сигнала. Отношение резисторов выбирают в пределах: R7/R6=2...10.

8.Электронный регулятор по японскому патенту.

9.Регулятор
с расширенной линейной областью на
15дБ за счёт линеаризирующих диодов
(при входном напряжении 50 мВ
имеет коэффицинт гармоник на
выходе 0.1%)

10.Высоколинейный детектор огибающей.
Входное напряжение не должно быть более 100мВ. При этом с коллекторов снимается верхняя, а с эмиттеров - нижняя огибающая АМ - сигнала.

11.Пример применения в усилителе - ограничителе ЧМ - сигнала.
Контур выделяет первую гармонику. Ток транзистора VT2 имеет форму, близкую к прямоугольной. В микросхемном исполнении (например, К174ХА6, К174УР3 и др.) контур заменяют обычным резистором.

Введение каскодной развязки с нагрузкой уменьшает амплитудно - фазовую конверсию:

12.Ограничитель другого типа.

13.Дифференциальный (балансный) каскад.
Позволяет
решать задачу усиления сигналов с
частотой от нуля (постояноого тока)
до сотен МГц и при этом:
- даёт малую ошибку разбаланса
входов за счёт взаимной
компенсации Uбэ;
- стабилен по температуре и по
времени благодаря согласованным
изменениям параметров
транзисторов;
- обладает способностью усиливать
только дифференциальные сигналы и
"не реагировать" на синфазные
напряжения;
- имеет высокую линейность и
скорость нарастания, особенно
каскады на полевых транзисторах (ПТ);
- обладает высокой устойчивостью за
счёт того, что входной и выходной
токи попадают в шины общего провода
(земли) и питания, замыкаясь через
генератор и нагрузку, что особенно
важно в УВЧ.
Для наглядности ниже показана схема четырёхплечного моста как элемента, не обладающего дрейфом. Если мост сбалансирован, т.е. R1/R2=R3/R4, то при изменении напряжения питания баланс не нарушается и ток нагрузки равен нулю.

В дифкаскаде роль резисторов играют транзисторы:

Входное
сопротивление ДК на БТ равно:
Rвх=4h21э fт/Iэсм, где Iэсм - общий (суммарный)
эмиттерный ток смещения.
Коэффициент усиления по напряжению
Кu=RкIэсм/2fт при Rк1=Rк2.
Искажения ДК на биполярных
транзисторах при малых сигналах:
Кг=Um^4/4ft^4,
в то время как каскад с ОЭ имеет Кг=Um^2
ft^2/(ft+IэRэ)^4, а при Rэ=0 Кrmax=Um^2/ft^2
где Um - амплитуда входного сигнала.
Нетрудно
подсчитать, что дифкаскад имеет
искажения в 100 раз меньшие, чем
каскад с ОЭ с Rэ=0 и Um=5мВ. В то же
время, искажения каскада на
транзисторах разной проводимости
довольно значительны. Поэтому для
их уменьшения целесообразно
включить между эмиттерами
транзисторов резистор 100 Ом и более.
Перегрузочная способность ДК на ПТ
примерно в 100 раз выше, т.к. Uотс/ft=100.
Так, например, при Uотс=2.6В, Uвхmax=1.5В
при Кг=1% на выходе, в то время как
для биполярных транзисторов при
том же коэффициенте гармоник Uвхmax=17мВ.
К недостаткам ДК на ПТ можно
отнести меньший (примерно в 4 раза)
коэффициент усиления и большее
напряжение смещения, которое
сводится к минимуму использованием
интегральных сборок, а так же
тщательной подборкой транзисторов
по параметрам и установкой их на
общем радиаторе. Кроме того, при
замене резистора в эмиттерной цепи
ДК на ГСТ образуется очень глубокая
отрицательная ОС по синфазному
сигналу и сильное ослабления
дрейфа. Другой недостаток ДК (в том
числе и на БТ) заключается в том, что
эквивалентная шумовая ЭДС
симметричного ДК в 2^0.5 раз (на 3 дБ),
несимметричного ДК с пассивным
генератором тока - в 2 раза (на 6 дБ), а
несимметричного ДК с активным
генератором тока - на 7-8 дБ
привышает при прочих равных
условиях эквивалентную шумовую ЭДС
каскада с ОЭ на одном транзисторе.
Это вытекает из того, что истосник
сигнала подключён к обоим входам ДК
последовательно:

Следовательно и
источники шума транзисторов
подключаются к источнику сигнала
также последовательно. Таким
образом, эквивалентная плотность
напряжения входного шума равна:
Eш=(еhi1+еhi2)^0.5=1.4emi (при еm1=em2).
Как выход из положения применяют
параллельное включение
транзисторов, что позволяетв n раз
уменьшить шумы, где n - количество
параллельно включённых
транзисторов. Уменьшению шумов
также способствует встречная
динамическая нагрузка ДК с помощью
отражателя тока, что эквивалентно
симметричной нагрузке.
14.Увеличние нагрузочной способности и повышение линейности ДК и его симметрии с помощью введения резисторов Rэ (от 100 Ом до 1...2 кОм):
Верхнее значение Rэ определяется требуемым усилением напряжения Ku=Rк/Rэ, дрейфом нулевого потенциала и шумом сопротивления Rэ, т.к. оно включается последовательно с источником сигнала. Иногда с помощью конденсатора, включённого между эмиттерами, вводят коррекцию по опережению.

15.Схема дифкаскада, свободного от эффекта Миллера.

Введение следящей обратной связи в коллектор входного транзистора позволяет нейтрализовать входную ёмкость ДК (СК):

подстроечный резистор устанавливается в такое положение, при котором на верхней рабочей частоте напряжение на коллекторе транзистора равно входному.
16.Симметричный съём сигнала с помощью токового зеркала.
Позволяет уменьшить шумы и увеличить коэффициент усиления по сравнению с простым несимметричным ДК. Резистор RC - цепи по запаздыванию выбирают в пределах 68...680 Ом, конденсатор - в пределах 180...2200 пФ.

17.Компенсация ООС через ёмкости Ск транзисторов ДК с помощью дополнительных транзисторов.
Позволяет расширить полосу пропускания. Дополнительные транзисторы могут быть заменены конденсаторами небольшой ёмкости.

18.Применение каскодного усилителя повышает быстродействие более чем в 10 раз:

19.Прецезионный ДК со следящей связью.
Применение каскода со следящей связью позволяет не только подавлять эффект Миллера, но и нейтрализовать ёмкости Ск.

20.Применение полевых транзисторов в каскоде со следящей связью.

У дифференциальных усилителей, работающих в режиме большого сигнала, время нарастания и спада переходных процессов различно из-за более медленного разряда ёмкости нагрузки в момент отключения. Этот недостаток исключается в двухтактной схеме.