6.Каскад с общей базой, каскод. |
1.Каскад с общей базой.
Каскад о с общей
базой, как и каскад с ОК, не
инвертирует фазу усиливаемого
сигнала. Коэффициент усиления по
напряжению стабилен и составляет
приблизительно: Кi=h21э/(h21э+1)<1.
Коэффициент усиления по напряжению
(без учёта сопротивления нагрузки Rн)
Кu=SRк=Rк/(rэ+Rк) - аналогично
коэффициенту усиления каскада с ОЭ.
При сопротивлении генератора Rг=0
параллельная ОС перестаёт
действовать и нелинейные искажения
и выходное сопротивление Rвых в
этом случае те же, что и в каскаде с
ОЭ.
Выходное сопротивление
транзистора близко к
дифференциальному сопротивлению
диода, т.е. Rвх=rэ=fт/Iэ и имеет
индуктивный характер (входное
сопротивление каскада с ОЭ и с ОК -
ёмкостное. Iэ - постоянная
составляющая тока эмиттера.
Поэтому при синусоидальном сигнале
Zвх увеличивается с ростом частоты.
Следовательно, Rб должно быть равно
нулю или заземлено конденсатором
достаточно большой ёмкости, что бы
не возникал колебательный контур -
входная ёмкость + ёмкость монтажа.
Динамическое выходное
сопротивление очень велико -
порядка нескольких МОм (наибольшее
из трёх способов включения
транзистора) без учёта
шунтирующего влияния Rк. В реальной
схеме оно практически равно Rк.
Выходные характеристики
горизонтальны и имеют линейное
приращение тока коллектора от тока
эмиттера.
Переходные и частотные свойства
значительно лучше, чем у каскада с
ОЭ. Однако эти преимущества
проявляются только до определённых
частот. На очень высоких частотах (например,
СВЧ) эти свойства выравниваются и
каскад с ОЭ может даже иметь
приемущество.
Схема с ОБ обладает тем
приемуществом, что на её работу
влияет только ёмкость эмиттер-база
Сэ и не влияет ёмкость коллектор-база
Ск, которая увеличивается
вследствии эффекта Миллера.
Заметное снижение нелинейных
искажений возможно лишь при
источнике сигнала с выходным
сопротивлением, много большим
входного сопротивления
транзистора. В этом случае Iвх=Uг/(Rг+Rвх)=Uг/Rг,
где Uг - напряжение источника
сигнала, а коэффициент усиления по
напряжению Кu=Rк/Rг.
2.Каскад усиления с трансформаторной связью.
Если вместо подачи напряжения смещения базу транзистора подключить к общему проводу, получим силовой ключ с эмиттерной коммутацией, который с успехом применяют в преобразователях напряжения.

3.Микрофонный усилитель с использованием в качестве микрофона низкоомной динамической головки.

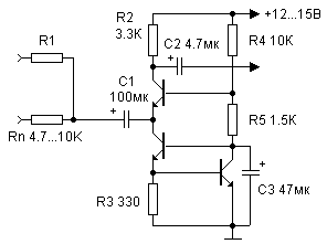
4.Микшер с генератором тока в цепи эмиттера.
Для стабилизации режима по постоянному току в цепи эмиттера используется генератор тока. Благодаря низкому входному сопротивлению каскада с ОБ взаимовлияние различных источников сигнала минимальное. Коэффициент передачи микшера с любого входа равен Кi=R2/R1, где Ri - сопротивление резистора R1...Rn, включённого в цепь источника сигнала. Сопротивление нагрузки Rн=R2.

5.Частотнозависмый усилитель на каскаде ОБ в сочетании с ОЭ.

зависимость коэффициента усиления от частоты:

Выходной сигнал сдвинут по фазе на 90° по отношению к входному в диапазоне частот от 20 Гц до 1 МГц. входное сопротивление Rвх=h11б=10 Ом. Коэффициент усиления на частоте 1000 Гц - Кu=100.
6.Коррекция искажений УВ магнитофона.
Постоянная времени t1=R1C2, t2=C2R5IIRн). Сдвиг фазы на 90° на частоте fо=1/2¶R3C1.

7.Получение из однополярного сигнала двухполярного.
Элементы DD1.1 и DD1.2 должны быть с открытым коллектором.

8.Применение каскада с ОБ для детектирования АМ сигналов.
По сравнению с традиционным детектором, такой детектор имеет значительно меньшие искажения благодаря глубокой ООС по низкой частоте через конденсатор С1 с коллектора в базу.

9.Более совершенный детектор - "идеальный диод".
Коэффициент передачи Кд=R2/R1¶=1.8 . Максимальное входное напряжение Uвх.max=(Eп-2Uбэ)R1/R2=2В .

Введение дополнительного транзистора и двух диодов обеспечивает расширения детектирования в области малых сигналов на 10...15 дб.

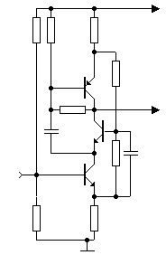
10.Каскодные усилители.
Наибольшее применение каскад с ОБ (ОЗ) находит в сочетании с каскадом с ОЭ (ОИ). Это так называемый каскод - последовательное соединение ОЭ-ОБ (ОИ-ОЗ). Каскодные усилители примечательны тем, что в каскадах почти полностью развязаны входная и выходная цепи, т.к. база транзистора каскада с ОБ имеет неизменный потенциал. Следовательно, в каскодных усилителях эффект Миллера не проявляется. Поскольку входное сопротивление каскада с ОБ ничтожно мало, каскад с ОЭ работает в режиме короткого замыкания на выходе (т.е. по сути работает как каскад с ОК), обеспечивая такое же усиление, как идеализированный каскад с ОЭ. Входное сопротивление на высоких частотах выше, т.к. существенно уменьшается входная ёмкость каскада. Резкое ослабление ОС с выхода на вход способствует устойчивой работе каскада, особенно в резонансных усилителях.
Возможные сочетания каскада с ОЭ на n-p-n транзисторе с каскадом ОБ (ОЗ) на транзисторах разной проводимости:




Аналогичные схемы для каскада с ОИ на полевом транзисторе с каналом n- типа:




11.Наиболее распространённая схема каскода.

Более совершенный каскод с нейтрализацией Ск каскада с ОЭ благодаря следящей связи через диоды VD1, VD2:

12.Компенсация входной динамической ёмкости с помощью конденсатора.

13.Нейтрализация входной ёмкости с помощью схемы сдвига уровня на стабилитроне.

14.Схема с увеличенным коэффициентом усиления с сохранением высоких динамических характеристик путём применения встречной динамической нагрузки в сочетании с компенсацией входной ёмкости.

15.Каскад с необычным включением по постоянному току.
Входное сопротивление такого каскада достаточно низкое.

16.Каскод с применением фототранзистора.

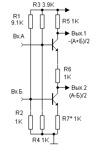
17.Простое устройство сложения и вычитания двух сигналов.
При подаче одинаковых сигналов на вых.2 напряжение должно птсутствовать, в противном случае нужно подобрать резистор R7.

18.Смешанный каскод.

19.Каскод с двухполярным питанием.

20.Каскод с коэффициентом усиления 50 и с полосой пропускания 0...1 мГц.
Входная ёмкость - не более 20 пФ.

21.Широкополосный каскод с нейтрализацией входной ёмкости с помощью линейной следящей связи.
Входная ёмкость - около 0.1 пф.
