4. Повторитель напряжения. |
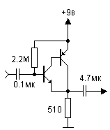
1.Эмиттерный повторитель.
Эмиттерный
повторитель имеет наибольшее
входное сопротивление и наименьшее
выходное и используется для
усиления сигнала по току,
коэффициент усиления по напряжению
близок к единице. Однако это
справедливо при достаточно низком
сопротивлении источника сигнала и
на низкой частоте. При бесконечно
большом сопротивлении источника
сигнала перестаёт действовать 100%
последовательная ООС по напряжению
и выходное сопротивление
стремиться к Rвых каскада с общим
эмиттером, резко возрастает
коэффициент гармоник, который
минимален при Rr=0.
Rвх=Rб+(1+h21э)Rн
Rвых=Rэ+(Rr+Rб)/(1+h21э)
где Rб - сопротивление базы (1...20 Ом и
более);
h21э - коэффициент передачи тока;
Rэ=Fт/Iк(ма);
Fт=25мВ - температурный потенциал;
Rr - выходное сопротивление
источника сигнала.

Входное сопротивление резко уменьшается в случае коротких импульсов и на высоких частотах. На высоких частотах входная ёмкость повторителя зависит, главным образом, от Сн и грубо может быть оценена как Сн/h21э. Выходное сопротивление повторителя на высоких частотах может иметь индуктивный характер, поэтому при определении Сн эмиттерный повторители могут давать колебательные переходные процессы и даже переходить в режим автогенерации. Однако наиболее опасным следствием ёмкостной нагрузки является склонность однотактных повторителей к нелинейным искажениям сигнала высокой частоты. Наиболее понятнообъяснение этого явления на примере передачи фронта и спада импульсного сигнала:

При передаче
фронта к току транзистора помимо
тока Iэ=Uвых/Rэ добавляется ток
заряда Сн.
При прохождении спада сигнала ток
перезаряда не может превысить ток,
протекаюший через Rэ, а не через
транзистор. Если Uвх будет
снижаться быстрее перезаряда Сн, то
напряжение на базе окажется ниже,
чем на эмиттере, и транзистор
закроется.
Максимальная частота, передаваемая
повторителем без искажений Fmax=Iэ/2nUmCn
, где Um - амплитуда сигнала.
Как видно из формулы, расширить
полосу пропускания эмиттерного
повторителя можно увеличением тока
эмиттера. Характерные искажения
сигнала высокой частоты в
эмиттерном повторителе носят
пилообразный характер:

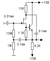
2. Повторитель на составном транзисторе Шиклаи.
Rвх>1МОм, коэффициент обратной связи около 50 дБ. Характеристика линейна от 10Гц до 100 кГц.

3.Составной транзистор со следящей связью в цепи базы.
Из-за огромного входного сопротивления повторителей на составных транзисторах особенно остро встаёт о цепи смещения базы. Делать сопротивления порядка нескольких мегаом нельзя из-за температурной нестабильности и невозможности обеспечения необходимого тока базы. Поэтому во входном каскаде, как правило, используют полевой транзистор или следящую связь в цепи базы:

Для того что бы искусственно увеличить сопротивление Rк и исключить (нейтрализовать) влияние ёмкости Ск , т.е. исключить её перезаряд, необходимо что бы напряжение Uкб1 было постоянно, т.е. нужно изменять потенциал Uк1 пропорционально потенциалу Uб1, ток через Rк и Ск станет равным нулю, а это равноценно увеличению их комплексного сопротивления. Для реализации этой идеи в коллектор (сток) первого транзистора полностью подаётся переменная составляющая выходного напряжения с помощью конденсатора достаточно большой ёмкости:

или с помощью стабилитрона,схемы сдвига уровня:

или с помощью истокового повторителя:

Аналогичная идея реализована в широкополосном повторителе:

4.Эмиттерный повторитель с повышенным быстродействием.
Реализован за счёт быстродействующей линейной положительной обратной связи с помощью транзисторов VT1-VT3.

5.Повторитель с входным сопротивлением, стремящимся к бесконечности.
Благодаря отражателю тока на транзисторах VT1, VT3, токи коллекторов, а соответственно и токи баз транзисторов VT2 и VT4 равны. А так как токи баз противоположны, то и происходит их компенсация, что эквивалентно Rвх, равному безконечности.

6. Повторитель с увеличинным входным сопротивлением.
Rвх практически не зависит от h21э.

7.Высоколинейный эмиттерный повторитель с высокой нагрузочной способностью.
Амплитудное
входное напряжение такого
повторителя достигает напряжения
питания. Сопротивление нагрузки: Rн=>R3/2

Для того,что бы
повторитель идеально повторял
входное напряжение на нагрузке,
необходимо что бы напряжение Uэб
было постоянно во всём диапазоне
изменения входного напряжения.
Это условие можно выполнить, если
застабилизировать ток эмиттера (коллектора).
Для этого надо в предыдущей схеме
токозадающий резистор R3 заменить
активным источником тока с
токозадающим резистором, равным
сопротивлению нагрузки:
Iк=Еп/Rн=const
8.Простейший двухтактный эмиттерный повторитель.
Резистор R уменьшает искажения типа "ступенька" в момент перехода через ноль (т.е. во время отсечки транзисторов). Применение такого повторителя для усиления слабых сигналов (до 0.4...0.5 В) не целесообразно.

Введение смещения с помощью диодов или другого генератора напряжения позволяет избавитьтся от ступеньки. Ток генераторов тока должен быть больше максимального тока базы при полной раскачке выходных транзисторов во избежание запирания диодов.

9.Эмиттерный повторитель с увеличенным входным сопротивлением с помощью следящей обратной связи.

10. Выходной каскад на квазикомплементарной паре.
Верхнее плечо - на составном транзисторе Дарлингтона, нижнее - на транзисторе Шиклаи. Введение дополнительного транзистора VT2, аналогично VT4, VT5, симметрируютвходное сопротивление плеч. При этом искажения уменьшаются в 2..3 раза.

11.Двухтактные каскады.
По схеме Шиклаи (недостаток - возникновение больших сквозных токов при перегрузках, особенно на высоких частотах)

По схеме Дарлингтона

Повторитель по схеме Шиклаи и Дарлингтона

12.Схемы, позволяющие достаточно простым способом исключить полную отсечку предвыходных транзисторов и тем самым уменьшить коммутационные искажения.


13.Повторитель с высокой термостабильностью.
Недостаток - плохая нагрузочная способность при работе на низкоомную нагрузку, а отсюда и большие вносимые искаженияв виде нечётных гармоник.

С повышенной нагрузочной способностью

14.Повторитель с повышенной нагрузочной способностью.
Повышенная нагрузочная способность достигнута за счёт введения активных источников тока в эмиттеры входных транзисторов.

15.Схема с повышенным быстродействием.

16.Мостовая схема повторителя.

