2.Источник опорного
напряжения |
1.Простейший стабилизатор.
Диапазон
нагрузки такого источника
ограничен максимально допустимым
током стабилизации стабилитрона.
Токоограничительный резистор
выбирают из расчёта: Rmin=Eп / Icт max .
При этом максимальный ток нагрузки
Iн max=Iст max-Iст min .

2.Использование маломощных высокочастотных транзисторов в качестве стабилитронов (4..9В) .
Напряжение стабилизации зависит от типа и буквы транзистора.


3.Стабилизатор последовательного типа - используется для увеличения нагрузочной способности генератора напряжения.

4.Улучшенные стабилизаторы параллельного типа (аналоги мощного стабилитрона).


Прецезионные источники опорного напряжения.


5.Суперэкономичный источник опорного напряжения с применением ГСТ на полевом транзисторе в микротоковом режиме.

6.Прецизионный кольцевой стабилизатор.
Имеет исключительно высокий коэффициент стабилизации за счёт встречного включения ГСТ (т.е. за счёт взаимостабилизации). При применении прецизионных стабилитронов Д818Е и токе через них 10ма и более коэффициент стабилизации достигает 100 тыс. и более.

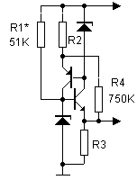
7.Простейший аналог стабилитрона.

Вариант с повышенной нагрузочной способностью. Напряжение стабилизации Uст=0.5(1+R1/R2).

8.Низковольтные аналоги стабилитронов.


